Opis produktu
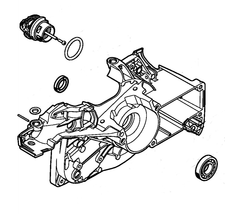
Oryginalna połówka skrzyni korbowej od strony wentylatora do pilarek spalinowych Stihl: MS 261. Produkt zawiera: łożysko toczne 15x32x8, pierścień uszczelniający wał 15x22x4, trzpień cylindryczny 1,8x19, puszka, amortyzator, zamknięcie zbiornika oleju, okrągły pierścień uszczelniający 23x3.
Każda maszyna ulega naturalnej eksploatacji oraz niespodziewanym usterkom, dlatego zakup części zamiennych dla każdego użytkownika jest w pewnym momencie koniecznością. Sklep internetowy E-Drwal zapewnia wsparcie w doborze odpowiednich części zamiennych do wszystkich modeli maszyn Stihl i Viking. Oferujemy tylko oryginalne części zamienne Stihl i Viking, które zapewniają odpowiednią jakość, bezpieczeństwo i długą żywotność naprawianej maszyny. Dzięki prowadzonemu od wielu lat serwisowi maszyn Stihl i Viking pomożemy rozwiązać problem i dobrać oryginalne części zamienne Stihl i Viking.
Wsparcie serwisowe:
- telefon: 503-948-538
- e-mail: kontakt@e-drwal.com



















Dodaj swoją opinię