Opis produktu
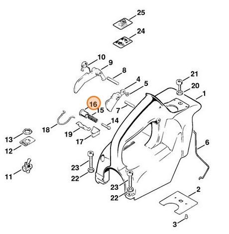
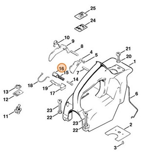
Wysokiej jakości oryginalny przycisk gazu rozruchowego do urządzeń STIHL : TS 350, TS 08 S, 08 SE, 070, 090, 090 AV, 090 G, 009, 009 Q, 009 LQ, 010 AV, 011 AVE, 011 AVEQ, 010 AVEQ, 012 AVEQ, 012 AVTEQ, 009 E, 009 EQ, 015 L, 015 AV, 015 AVE, 015 AVQ, 015 LQ, 020, FS 150, FS 151, FS 200, FS 202, 056, 056 S, 056 M, 045 AV, 045 AVE, 045 AVEQ, 045 AVSE, 045 AVSEQ, 032 AV, 032 AVE, 032 AVEQ, 032 AVEW, 032 AVEQW, 032 AVQ, 031.
Każda maszyna ulega naturalnej eksploatacji oraz niespodziewanym usterkom, dlatego zakup części zamiennych dla każdego użytkownika jest w pewnym momencie koniecznością. Sklep internetowy E-Drwal zapewnia wsparcie w doborze odpowiednich części zamiennych do wszystkich modeli maszyn Stihl i Viking. Oferujemy tylko oryginalne części zamienne Stihl i Viking, które zapewniają odpowiednią jakość, bezpieczeństwo i długą żywotność naprawianej maszyny. Dzięki prowadzonemu od wielu lat serwisowi maszyn Stihl i Viking pomożemy rozwiązać problem i dobrać oryginalne części zamienne Stihl i Viking.
Wsparcie serwisowe:
- telefon: 503-948-538
- e-mail: kontakt@e-drwal.com


















Dodaj swoją opinię