Opis produktu
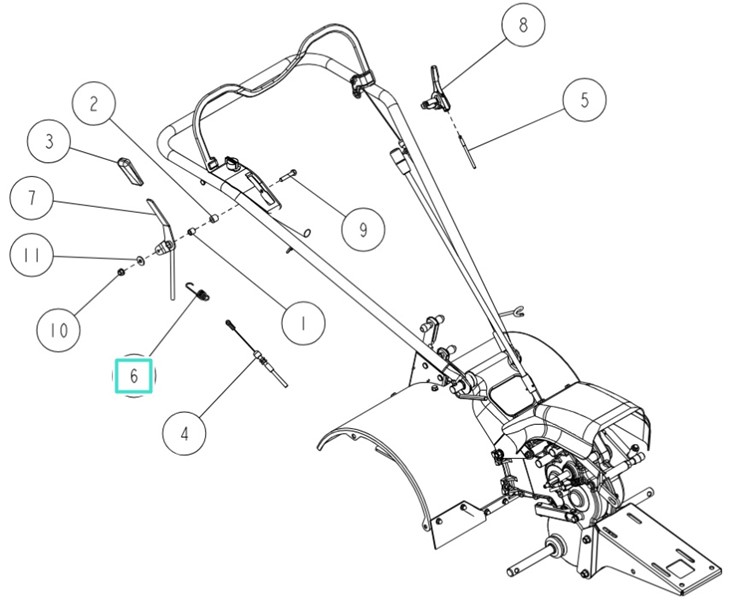
Wysokiej jakości oryginalna sprężyna powrotna blokady do urządzeń OREC : SF 600, SF 600D.Każda maszyna z czasem ulega zużyciu oraz może ulec niespodziewanym awariom, dlatego zakup części zamiennych staje się nieunikniony dla każdego użytkownika. Sklep internetowy E-Drwal oferuje profesjonalną pomoc w doborze właściwych części zamiennych do wszystkich modeli maszyn Orec. W naszym asortymencie znajdują się wyłącznie oryginalne części Orec, gwarantujące wysoką jakość, niezawodność i długą trwałość naprawionych urządzeń. Dzięki wieloletniemu doświadczeniu w serwisowaniu maszyn Orec, zapewniamy fachowe doradztwo i pomoc w wyborze odpowiednich oryginalnych części zamiennych.
Wsparcie serwisowe:
- telefon: 503-948-538, 574-094-827
- e-mail: kontakt@e-drwal.com
















Dodaj swoją opinię