Opis produktu
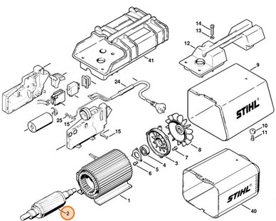
Wysokiej jakości oryginalny wirnik 200 V/50, 60 Hz do urządzeń STIHL : RE 220 K, RE 581 PLUS.
Każda maszyna ulega naturalnej eksploatacji oraz niespodziewanym usterkom, dlatego zakup części zamiennych dla każdego użytkownika jest w pewnym momencie koniecznością. Sklep internetowy E-Drwal zapewnia wsparcie w doborze odpowiednich części zamiennych do wszystkich modeli maszyn Stihl i Viking. Oferujemy tylko oryginalne części zamienne Stihl i Viking, które zapewniają odpowiednią jakość, bezpieczeństwo i długą żywotność naprawianej maszyny. Dzięki prowadzonemu od wielu lat serwisowi maszyn Stihl i Viking pomożemy rozwiązać problem i dobrać oryginalne części zamienne Stihl i Viking.
Wsparcie serwisowe:
- telefon: 503-948-538
- e-mail: kontakt@e-drwal.com


















Dodaj swoją opinię